DC-DC преобразователи серии DAE-1 от PAIRUI

19.09.2025

Преобразователи серии DAE-1 производства компании PAIRUI представляют собой модульные DC/DC преобразователи мощностью 1 Вт в корпусе SIP7 (с расположением контактов в один ряд) нестабилизированного типа (unregulated), для установки на печатную плату.

Модули серии DAE-1 имеют одиночный выход положительной полярности (DAE1-xx1x), двойной выход положительной и отрицательной полярности (DAE1-xx2x) или два изолированных выхода положительной полярности одного номинала (DAE1-xx0x, доступно под заказ).

DC-DC преобразователи серии DAE-1 от PAIRUI. Внешний вид Внешний вид DC/DC преобразователей серий DAE-1

Особенностями DC/DC преобразователей серии DAE-1 являются: малогабаритный корпус, расположение контактов в один ряд (Single-in-line Package, SIP), типовые диапазоны входного напряжения (5, 12, 15, 24, 48В), выходное напряжение из стандартного ряда значения (+/- 3.3, 5, 9, 12, 15, 24В), нормированная выходная мощность 1Вт, типовое назначение выводов (Industry standard pinout).

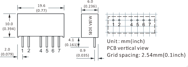
Габаритные размеры модулей и назначение выводов представлены на рисунках:

Габаритные размеры и расположение выводов DC-DC преобразователи серии DAE-1 от PAIRUI. Габаритные размеры и расположение выводов
Pin-Out
PIN № SINGLE DUAL ISOLATED TWIN
1 +Vin +Vin +Vin
2 GND GND GND
4 0V -Vo -Vo1
5 No Pin 0V +Vo1
6 +Vo +Vo -Vo2
7 No Pin No Pin +Vo2
Назначение выводов модулей DAE-1

Основные технические характеристики преобразователей

  • Тип корпуса: SIP7 package.
  • Типовое назначение выводов (Industry standard pinout).
  • Нормированная выходная мощность: 1Вт.
  • Широкий температурный диапазон: -40°С…+85°С.
  • Требование минимальной нагрузки: 10% от максимального значения выходного тока (уточнять по Спецификации).
  • Напряжение изоляции (вход-выход): 1000В (DC).
  • Гарантийный срок 3 года.

Более подробно технические характеристики представлены в Спецификации на DC/DC преобразователи DAE-1 на странице товара.